
BIM技术应用——图纸问题校核报告
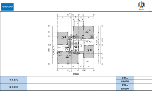
由于梯柱定位于窗户定位问题,窗C1peng'zhu212与梯柱发生碰撞冲突。如下图



车位梁下净高为2117mm(未扣除建筑完成面厚度),存在不满足2200mm净高要求问题。如下图:


此次在启动会上华坤一建王总经理特意强调,bim技术不是一个部门的事情,是多个部门极力配合的。王总经理还提到,未来bim技术肯定是会往施工协同管理方面发展,这样才能从进度、质量、成本等方面进行一个很好的管控。
最后蓝达公司承诺,以图纸优化为前期,以安全质量管理为主导,以节省成本为结果的技术理念为华坤集团交付成果。
